Drehstromgenerator
Drehstrom-Generator
Eigenschaften
Es wird ein 3-Phasen-Drehstrom-Generator beschrieben mit folgenden Eigenschaften:
--Frequenz von 25 Hz bis 1kHz (während des Betriebs) veränderbar,
--Spannung einer Phase gegen Sternpunkt 10 bis 20 Vss (während des Betriebs)
veränderbar,
--Strom in jeder Phase 0.5 A max.
Als Spannungsform wird eine Trapezform gewählt, d.h.
--1/3 Periode linearer Anstieg von -U0 bis +U0,
--1/6 Periode konstant +U0,
--1/3 Periode linearer Abfall von +U0 bis -U0,
--1/6 Periode konstant -U0.
Zeichnet man die Spannungen der 3 um je 1/3 Periode gegeneinander verschobenen Phasen in einem U-Zeit-Diagramm auf, so sieht man leicht, dass die Summe der 3 Spannungen in jedem Zeitpunkt gleich Null ist.
Die Anwendung des Generators sehe ich vor allem im Lehr- und Spiel-Bereich. Ich habe z.B. ganz einfache Synchron- und Asynchron-Motoren z.Teil gebaut, z.Teil in der Planung, die mit dem Generator betrieben werden können.
Beschreibung
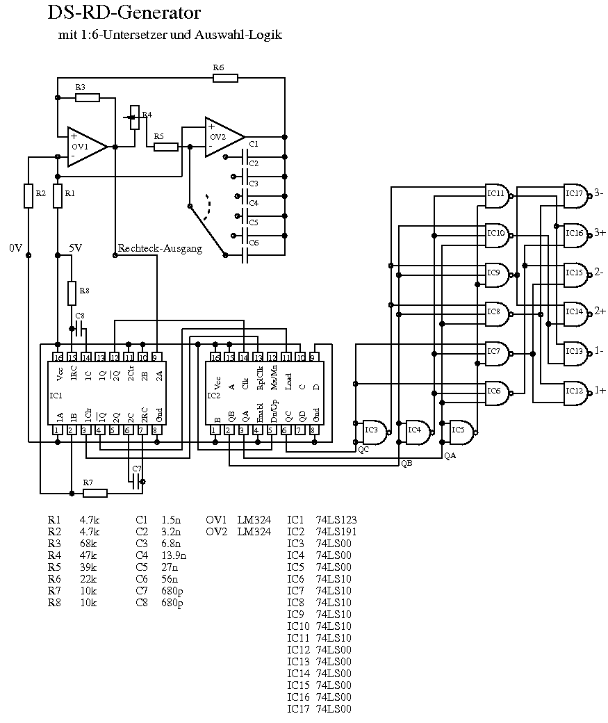
Frequenz-Generator und Auswahl-Logik.
Als Frequenz-Generator dient ein Rechteck-Dreieck-Generator (RD-G) mit zwei Operations-Verstärkern (OPV). Die Schaltung dürfte hinreichend bekannt sein. Der RD-G
erzeugt die 6-fache Frequenz des Drehstroms, der daraus abgeleitet wird. Die Frequenz ist in sechs Stufen umschaltbar (6 verschiedene Integrations-Kondensatoren) sowie in jeder Stufe um den Faktor ca. 2 veränderbar (Integrations-Widerstand Poti 47k), so dass der Bereich von 150 Hz bis 6 kHz lückenlos überstrichen werden kann. Diese OPV werden zwischen 0 und +5V betrieben.
Die Rechteck-Spannung triggert einen Mono-Flop (74LS123), dessen Ausgang einen vorwählbaren Binärzähler (74LS191) von 5 bis 0 abwärts zählt. Beim Erreichen der 0 wird der Zähler über einen Mono-Flop wieder auf 5 gesetzt.
Die jeweils 2 Zustände (high, low) der drei Zähler-Ausgänge QA, QB und QC werden in einer Logik-Schaltung (nur mit NAND-Gliedern) so verknüpft, dass für jede Phase zwei Ausgänge entstehen, die mit i+ bzw. i- (i=1,2,3) bezeichnet werden.
Z.B. gilt für Phase 1:
1+ = high für Binärzählerstand 5 oder 4
1+ = low sonst
1- = high für Binärzählerstand 2 oder 1
1- = low sonst.
Für die Phasen 2 und 3 sind die Binärzählerstände um jeweils 2 Einheiten zurückzuzählen, wobei -1 durch 5 zu ersetzen ist (Modulo 6). Die Phasenverschiebung zwischen den Ausgängen beträgt damit 2 Einheiten oder 120 Grad der Drehstrom-Periode.
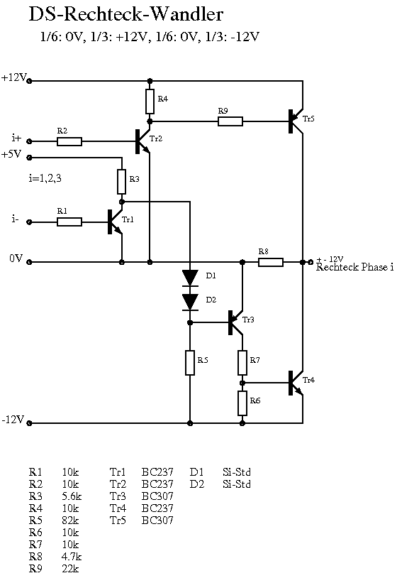
Rechteck-Wandler
Der Rechteck-Wandler hat die Aufgabe, aus den Zuständen i+ und i- (TTL-Pegel) eine Rechteck-Wechselspannung mit +-12V zu erzeugen. Dabei ist für jede Phase ein Rechteck-Wandler vorgesehen. Die erzeugte Rechteck-Wechselspannung Ri hat die Werte
Ri = +12V für i+ = high,
= - 12V für i- = high,
= 0V sonst.
Die Wirkungsweise des Wandlers ergibt sich aus dem Schaltbild; bei der Entwicklung der Schaltung wurde auf die Optimierung der Widerstände kein besonderer Wert gelegt.
Integrierer und Leistungsverstärker
Aus der Rechteck-Wechselspannung Ri entsteht die gewünschte Form des Drehstroms durch Integration. OP1 ist als Integrierer geschaltet mit einem festen Integrations-Kondensator von 1µ und umschaltbaren Integrationswiderständen von 27k bis 1M. Die Umschaltung erfolgt zugleich mit der Frequenzumschaltung im Frequenz-Generator. Dadurch wird erreicht, dass die Amplitude der integrierten Spannung für alle Frequenzen annähernd gleich ist. Die ebenfalls mögliche Frequenzänderung um den Faktor zwei im Frequenzgenerator erzeugt im Integrator allerdings eine Amplitudenvariation um den Faktor 2. Es ist daher erforderlich, einen Verstärker mit veränderlicher Verstärkung nachzuschalten, der eine frequenzunabhängige Amplitude der Ausgangsspannung liefert.
OP3 ist als nichtinvertierender Verstärker geschaltet, dessen Verstärkung über den Source-Drain-Widerstand des FE-Transistors BF245 verändert wird. Die Amplitude der Ausgangsspannung von OP3 wird mit einer Einweg-Gleichrichterschaltung gemessen und dem Differenzverstärker mit OP4 zugeführt, der andere Eingang von OP4 liegt an einer einstellbaren Spannung (Poti 10k); damit kann die Ausgangsspannung des Drehstroms um den Faktor 2 verändert werden. Der Ausgang des Differenzverstärkers liefert die Gate-Spannung für den BF245. Die Diode am Gate sorgt dafür, dass die Gate-Spannung nicht positiv gegen Source wird. In den Regelkreis des Verstärkers mit OP3 ist die Darlington-Leistungs-Endstufe mit einbezogen. Dadurch merkt man am Ausgang kaum Spannungssprünge, die durch Emitter-Basis-Spannungen der Transistoren hervorgerufen würden.
Der Integrator mit OP2 sorgt dafür, dass die Ausgangsspannung des Drehstroms keine Gleichspannungskomponente hat.
Mit den beiden Trimmpotis (1k bzw. 100k) lassen sich geringe Unterschiede in den 3 Phasen-Spannungen ausgleichen. Für jede Phase ist ein Integrator-Leistungsverstärker vorgesehen.
Netzgerät
Das Netzgerät für den Drehstromgenerator ist „strait-forward“; es liefert +12V,-12V und +5V, stabilisiert und in jeweils ausreichender Leistung. Es wird hier nicht näher beschrieben.
Stufenschalter
Der 4 Ebenen – 6fach – Stufenschalter (1 Ebene für die Frequenz, 3 Ebenen für die Integrationswiderstände der 3 Phasen) wurde mit einem 1-Ebenen Stufenschalter, der 6 Relais mit jeweils 4 Arbeitskontakten schaltet, realisiert. Genauer wird dieser „Stufenschalter“ hier nicht beschrieben. Er ist jedenfalls ein typisches Produkt von vorhandenen Bauteilen in der Bastel-Werkstatt.
Eine Anmerkung zu den Schaltbildern
Wer sich die Schaltbilder in besserer Qualität drucken möchte, kann sich z.B. pdf-Dateien vom Verfasser schicken lassen (enricohahn@online.de).



Kommentare
Kommentar schreiben
Die Kommentar-Funktion ist nur für angemeldete User freigegeben.





Kommentar von enricoernesto am 28.04.2012 um 19:31 geschrieben:
inzwischen habe ich einen Synchron-Drehstrommotor gebaut. Falls es jemanden interessiert, stelle ich mal ein Bild hier ein, sowie eine Kurzbeschreibung über Bau und Betrieb des Motors.
Grüße von
enricoernesto